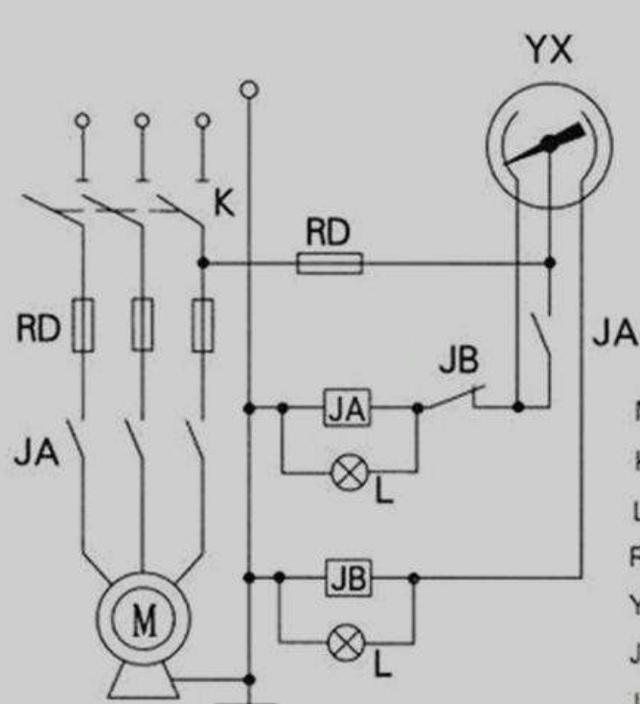
电接点压力表接线图及控制电机实物图 电接点压力表与相应的电气器件(如继电器及变频器等)配套使用,即可对被测(控)压力的各种气体与液体介质经仪表实现自动控制和发信(报警)的目的。 以控制压缩机电机为例:储气灌压力到达下限自动开启,到达上限自动停机。 控制过程如下:在压力到达(或开机时低与)下限时,电接点压力表的活动触点

电接点压力表接线图 电接点压力表有三根接线,一根是公用的,表针是可调的,可将一个表针调到0.4M,接低压启动控制继电器,另一个表针调到0.6M,接高压停止继电器,公用线是高低压控制的公用线。

电接点上下限控制电机实物图 环境震动较大时,可选用磁助式电接点压力表。
耐震电接点压力表 电接点压力表上下限可以通过表面中间的旋钮调节,按下旋钮卡到上或者下限旋转到相应压力值上。 电接点压力表上下限三根线可以用万用表二极管档测出。
转载请注明来自广东江南娱乐客户端官网,本文地址://m.ndytng.com/cpzs/6835.html 除非注明,广东江南娱乐客户端官网文章均为原创,转载请注明出处和链接!





